一种用于多端直流输电系统交流故障穿越的新型控制策略
杨舟, 杨仁炘, 施刚, 张建文

A Novel Control Strategy for AC Fault Ride Through in Multi-terminal DC System
Zhou YANG, Renxin YANG, Gang SHI, Jianwen ZHANG
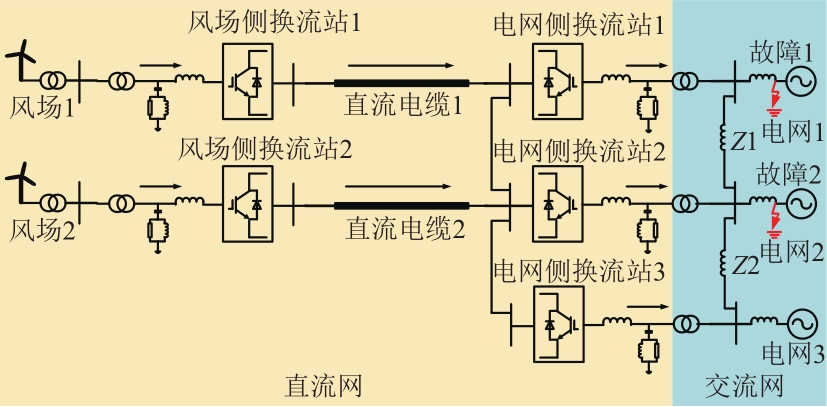
图1 五端直流输电系统
Fig. 1 A five-terminal HVDC system